legines.com
72#ブラス男性ランティーコンプレッションフィッティング

72#ブラス男性ランティーコンプレッションフィッティング

真鍮の男性ランティーコンプレッションフィッティング71

アプリケーション:市場:
■■ エアライン ■■ 産業
■■ 潤滑ライン ■■ パッケージング
■■ 冷却ライン ■■ 空気圧
■■ 業界 ■■ 印刷
■■ 機械
■■ コンプレッサー
■■ 流体移動

製品機能:
■■ SAE J-512の機能要件を満たしています
■■ 可燃性液体用にリストされています
■■ 真鍮または酢酸スリーブが利用可能
■■ チューブの準備はありません
■■ 鍛造形状と押し出しの形状

71-171C -71A -S71

お問い合わせ

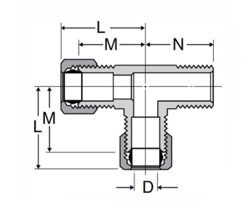
仕様

一部#

チューブO.d×男性nPTF

m

N

D

71-3a

3/16×1/8

.63

.69

.125

71-4a

1/4×1/8

.63

.75

.188

71-4b

1/4×1/4

.69

.88

.188

71-5a

5/16×1/8

.72

.75

.250

71-5b

5/16×1/4

.75

.88

.250

71-6a

3/8×1/8

.75

.75

.312

71-6b

3/8×1/4

.79

.87

.312

71-6C

3/8×3/8

.88

1.00

.330

71-8c

1/2×3/8

.94

1.09

.406

71-8d

1/2×1/2

.97

1.19

.406

71-10d

5/8×1/2

1.06

1.31

.500

私たちの72#BRASS MALE RUN TEE圧縮フィッティングは、SAE J-512の機能要件を満たしており、可燃性液体のULがリストされています。これらのフィッティングにはチューブの準備がなく、鍛造された押し出しの形があります。それらは、真鍮、プラスチック、金属スリーブなどのさまざまな素材で利用できます。真鍮や酢酸スリーブを備えており、アンダーキャリッジ、トランスミッション、燃料システムなどのさまざまなアプリケーションで使用できます。チューブの準備は必要ありません。

私たちと連絡してください

について レギネス

Legines Industrial Machinery Inc.

プロのチャイナブラスフィッティングメーカーとして、フィッティングサプライヤーをプッシュします。完全なCNC加工を採用し、3600平方メートルのワークショップエリアを所有しています。 45の自動機械工具、35の半自動CNC工作機械、および中国でのアメリカ標準の真鍮部品の生産のために重要なサプライヤーになったディストリビューター...
  • 名誉
  • 名誉

説明書 & ニュース