legines.com
79#圧縮フィッティングブラス45°男性の肘

79#圧縮フィッティングブラス45°男性の肘

真鍮45°男性肘圧縮継手79#

アプリケーション:市場:
■■ エアライン ■■ 産業
■■ 潤滑ライン ■■ パッケージング
■■ 冷却ライン ■■ 空気圧
■■ 業界 ■■ 印刷
■■ 機械
■■ コンプレッサー
■■ 流体移動

製品機能:
■■ SAE J-512の機能要件を満たしています
■■ 可燃性液体用にリストされています
■■ 真鍮または酢酸スリーブが利用可能
■■ チューブの準備はありません
■■ 鍛造形状と押し出しの形状

参照パート番号:
273-179C -74-77-6945

お問い合わせ

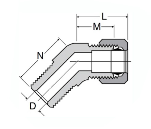
仕様

一部#

チューブO.d×男性nPTF

N

m

D

79-3a

3/16×1/8

.61

.43

.125

79-4a

1/4×1/8

.61

.43

.189

79-4b

1/4×1/4

.83

.59

.189

79-5a

5/16×1/8

.66

.66

.234

79-5b

5/16×1/4

.83

.66

.250

79-6a

3/8×1/8

.66

.62

.312

79-6b

3/8×1/4

.83

.62

.312

79-6C

3/8×3/8

.88

.75

.312

79-8c

1/2×3/8

.94

.75

.406

79-8d

1/2×1/2

1.13

.94

.406

*ref.sae No.060302 BA

圧縮継手は真鍮で製造され、圧縮フェルールとナットで組み立てられています。鍛造された押し出されたマンドレルは、永続的な設置のためにあらゆる方向に強度を提供します。
これらの圧縮継手は、滑らかで標準的で取り外し可能な端を備えた配管チューブに最適です。また、商業、産業、自動車、海洋アプリケーションなど、さまざまな業界のコネクタパイプ継手としても使用されています。

私たちと連絡してください

について レギネス

Legines Industrial Machinery Inc.

プロのチャイナブラスフィッティングメーカーとして、フィッティングサプライヤーをプッシュします。完全なCNC加工を採用し、3600平方メートルのワークショップエリアを所有しています。 45の自動機械工具、35の半自動CNC工作機械、および中国でのアメリカ標準の真鍮部品の生産のために重要なサプライヤーになったディストリビューター...
  • 名誉
  • 名誉

説明書 & ニュース