legines.com
64#ブラスユニオンティーコンプレッションフィッティング

64#ブラスユニオンティーコンプレッションフィッティング

ブラスユニオンティーコンプレッションフィッティング64#

アプリケーション:市場:
■■ エアライン ■■ 産業
■■ 潤滑ライン ■■ パッケージング
■■ 冷却ライン ■■ 空気圧
■■ 業界 ■■ 印刷
■■ 機械
■■ コンプレッサー
■■ 流体移動

製品機能:
■■ SAE J-512の機能要件を満たしています
■■ 可燃性液体用にリストされています
■■ 真鍮または酢酸スリーブが利用可能
■■ チューブの準備はありません
■■ 鍛造形状と押し出しの形状

参照パート番号:
64-164C -S64-64A

お問い合わせ

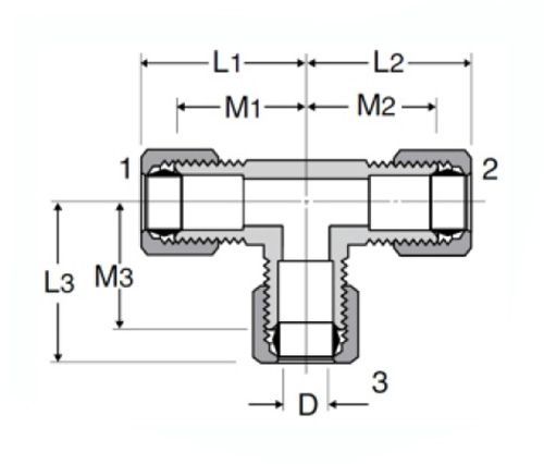
仕様

一部#

チューブサイズo.d

m

m

d

64-2

1/8

/

.53

.94

64-3

3/16

/

.59

.125

64-4

1/4

/

.627

.188

64-5

5/16

/

.65

.250

64-6

3/8

/

.73

.312

64-8

1/2

/

.94

.406

64-10

5/8

/

1.06

.500

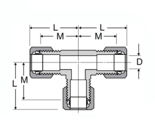
一部#

チューブサイズ

M1

M2

M3

64-4-4-6

1/4x1/4x3/8

.69

.69

.75

64-4-6-4

1/4x3/8x1/4

.69

.75

.69

64-6-6-4

3/8x3/8x1/4

.75

.75

.69

64-8-8-6

1/2x1/2x3/8

.94

.94

.81

64-10-10-8

5/8x5/8x1/2

1.06

1.06

1.06

*ref.sae No.060401 BA

私たちの64ブラスユニオンティー圧縮フィッティングは、可燃性液体用にリストされており、SAE J-512の機能要件を満たしています。偽造または押し出しの形状で利用でき、機械加工されたスレッドとソケットの両方のスレッド、および真鍮または酢酸スリーブのいずれかで利用できます。真ちゅうまたは酢酸スリーブのいずれかで利用可能なすべてのコンポーネントは、簡単にインストールできるように設計されているため、インストールはスムーズに進みます。

私たちと連絡してください

について レギネス

Legines Industrial Machinery Inc.

プロのチャイナブラスフィッティングメーカーとして、フィッティングサプライヤーをプッシュします。完全なCNC加工を採用し、3600平方メートルのワークショップエリアを所有しています。 45の自動機械工具、35の半自動CNC工作機械、および中国でのアメリカ標準の真鍮部品の生産のために重要なサプライヤーになったディストリビューター...
  • 名誉
  • 名誉

説明書 & ニュース