legines.com
70#鍛造90°雌肘圧縮フィッティング

70#鍛造90°雌肘圧縮フィッティング

アプリケーション:市場:
■■ エアライン ■■ 産業
■■ 潤滑ライン ■■ パッケージング
■■ 冷却ライン ■■ 空気圧
■■ 業界 ■■ 印刷
■■ 機械
■■ コンプレッサー
■■ 流体移動

製品機能:
■■ SAE J-512の機能要件を満たしています
■■ 可燃性液体用にリストされています
■■ 真鍮または酢酸スリーブが利用可能
■■ チューブの準備はありません
■■ 鍛造形状と押し出しの形状

参照パート番号:
70-170C -S70-70A

お問い合わせ

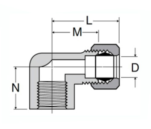
仕様

一部#

チューブo.d x femalr nptf

n

m

d

70-3a

3/16x1/8

.470

.69

.125

70-4a

1/4x1/8

.470

.69

.188

70-4b

1/4x1/4

.562

.75

.188

70-5a

5/16x1/8

.600

.78

.234

70-5b

5/16x1/4

.562

.78

.250

70-6b

3/8x1/4

.580

.81

.312

70-6C

3/8x3/8

.580

.88

.312

70-8b

1/2x1/4

.700

1.00

.312

70-8c

1/2x3/8

.700

1.00

.406

70-8d

1/2x1/2

.880

1.00

.406

*ref.sae No.060203 BA

70#の鍛造雌肘は、SAE J-512を満たすために作られた信頼できる圧縮フィッティングです。このフィッティングは、チューブ軸に対して90°の角度で設計されており、設置後でも角度を分岐または作成するために使用できます。偽造された真鍮または酢酸スリーブにより、チューブの準備が必要ない簡単な組み立てが可能になります。
70度の雌肘はフロー制御に使用され、軟鋼、ステンレス鋼、アルミニウム、プラスチックで使用できます。 70度の女性の肘には、耐食性を提供するプラスチックまたは真鍮のスリーブが含まれています。このフィッティングは柔らかい壁のチューブと互換性があり、首のサイズは組み立てられたときにチューブODと一致します。

私たちと連絡してください

について レギネス

Legines Industrial Machinery Inc.

プロのチャイナブラスフィッティングメーカーとして、フィッティングサプライヤーをプッシュします。完全なCNC加工を採用し、3600平方メートルのワークショップエリアを所有しています。 45の自動機械工具、35の半自動CNC工作機械、および中国でのアメリカ標準の真鍮部品の生産のために重要なサプライヤーになったディストリビューター...
  • 名誉
  • 名誉

説明書 & ニュース