legines.com
69#圧縮90°真鍮の雄肘

69#圧縮90°真鍮の雄肘

アプリケーション:市場:
■■ エアライン ■■ 産業
■■ 潤滑ライン ■■ パッケージング
■■ 冷却ライン ■■ 空気圧
■■ 業界 ■■ 印刷
■■ 機械
■■ コンプレッサー
■■ 流体移動

製品機能:
■■ SAE J-512の機能要件を満たしています
■■ 可燃性液体用にリストされています
■■ 真鍮または酢酸スリーブが利用可能
■■ チューブの準備はありません
■■ 鍛造形状と押し出しの形状

参照パート番号:
69-169 -S69-69A

お問い合わせ

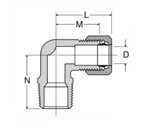
仕様

一部# チューブo.d*男性nptf n m
69-2a 1/8*1/8 .68 .59
69-3a 3/16*1/8 .68 .62
69-3b 3/16*1/4 .85 .61
69-4a 1/4*1/8 .75 .62
69-4b 1/4*1/4 .91 .65
69-4C 1/4*3/8 .93 .72
69-4d 1/4*1/2 1.11 .82
69-5a 5/16*1/8 .71 .67
69-5b 5/16*1/4 .82 .66
69-5c 5/16*3/8 .93 .81
69-5d 5/16*1/2 1.12 .82
69-6a 3/8*1/8 .72 .72
69-6b 3/8*1/4 .88 .75
69-6C 3/8*3/8 .93 .81
69-6d 3/8*1/2 1.18 .87
69-8b 1/2*1/4 .97 .88
69-8c 1/2*3/8 1.06 .88
69-8d 1/2*1/2 1.13 .94
69-8e 1/2*3/4 1.25 1.16
69-10c 5/8*3/8 1.25 1.06
69-10d 5/8*1/2 1.31 1.06
69-12d 3/4*1/2 1.31 1.19
69-12E 3/4*3/4 1.38 1.19

*ref.sae No.060202 BA

私たちの真鍮と酢酸90°の雄肘は、SAE J-512に従って設計されています。圧縮ジョイントと形成された端を使用して、その仕様の機能要件を満たしています。真鍮または酢酸スリーブは、剛性を提供する機械加工フランジに埋め込まれていますが、調製せずにチューブを挿入できます。
90°男性の真鍮の肘フィッティングは、チューブの調製を必要とせずにチューブを接続するように設計されています。この普遍的なフィッティングは、他の同様のフィッティングとともに使用して、組み立てや維持が簡単な複雑な配管システムを作成できます。

私たちと連絡してください

について レギネス

Legines Industrial Machinery Inc.

プロのチャイナブラスフィッティングメーカーとして、フィッティングサプライヤーをプッシュします。完全なCNC加工を採用し、3600平方メートルのワークショップエリアを所有しています。 45の自動機械工具、35の半自動CNC工作機械、および中国でのアメリカ標準の真鍮部品の生産のために重要なサプライヤーになったディストリビューター...
  • 名誉
  • 名誉

説明書 & ニュース