legines.com
3600#ブラスフィッティングブランズティーブラスパイプフィッティング

3600#ブラスフィッティングブランズティーブラスパイプフィッティング

製品機能: 市場:
■■ すべての真鍮構造 ■■ 産業
■■ の機能要件を満たします ■■ 工事
SAE J530およびSAE J531 ■■ ヘビーデューティトラック
■■ ドリシール基準に作られたスレッド ■■ 携帯
■■ 鍛造と押し出しの両方が利用可能です ■■ 工場/プロセス自動化

アプリケーション:互換性のあるチューブ:
■■ エアライン ■■
■■ ウォーターライン ■■ 真鍮
■■ 冷却ライン ■■ 鉄パイプ

仕様:
最大1000 psiの圧力範囲
温度範囲-65°から250°F

典型的なアプリケーション:
グリース、燃料、LPおよび天然ガス、冷蔵、補充および油圧システム

適合:
ASA、ASME、SAEの仕様と基準を満たしています。

参照パート番号:
2224p -3600 -T9 -X106-226-329-128-28281〜28285

お問い合わせ

仕様

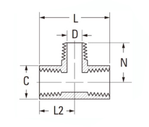
一部# スレッドサイズ c d L2 n
3600-A F1/8×M1/8 9/16 .219 1.10 .66
3600-b F1/4×M1/4 11/16 .315 1.56 .91
3600-C F3/8×M3/8 13/16 .438 1.68 .97
3600-D F1/2×M1/2 1 " .562 2.18 1.25
3600-e F3/4×M3/4 1 "-1/4 .750 2.31 1.38

*ref.sae No.130425

ヘビーデューティーブランチのティーフィッティングは、SAE J530およびSAE J531基準に製造されたヘビーゲージの真鍮で作られています。それらは、鍛造と押し出しの両方で利用できます。これにより、お客様にさまざまなオプションを提供する多様性が提供されます。圧力と温度の両方の評価で構築されたこれらの枝ティーは、ほぼすべての産業プロセスで使用するのに適しています。両方のブランドのチューブは、このフィッティングで正常に使用できます。私たちの銅&ブラスブランズティーフィッティングのラインは、最も広い範囲のアプリケーションで優れた品質と信頼性の高いパフォーマンスを提供します。当社の資格のあるエンジニアは、あなたがあなたの特定のニーズを満たすために最適な製品を選択するか、システムを設計するのに役立ちます。

私たちと連絡してください

について レギネス

Legines Industrial Machinery Inc.

プロのチャイナブラスフィッティングメーカーとして、フィッティングサプライヤーをプッシュします。完全なCNC加工を採用し、3600平方メートルのワークショップエリアを所有しています。 45の自動機械工具、35の半自動CNC工作機械、および中国でのアメリカ標準の真鍮部品の生産のために重要なサプライヤーになったディストリビューター...
  • 名誉
  • 名誉

説明書 & ニュース