legines.com
3200#エクステンダーアダプターフィッティング

3200#エクステンダーアダプターフィッティング

製品機能: 市場:
■■ すべての真鍮構造 ■■ 産業
■■ の機能要件を満たします ■■ 工事
SAE J530およびSAE J531 ■■ ヘビーデューティトラック
■■ ドリシール基準に作られたスレッド ■■ 携帯
■■ 鍛造と押し出しの両方が利用可能です ■■ 工場/プロセス自動化

アプリケーション:互換性のあるチューブ:
■■ エアライン ■■
■■ ウォーターライン ■■ 真鍮
■■ 冷却ライン ■■ 鉄パイプ

仕様:
最大1000 psiの圧力範囲
温度範囲-65°から250°F

典型的なアプリケーション:
グリース、燃料、LPおよび天然ガス、冷蔵、補充および油圧システム

適合:
ASA、ASME、SAEの仕様と基準を満たしています。

参照パート番号:
375-222p -3200 -R1-120AH -120B

お問い合わせ

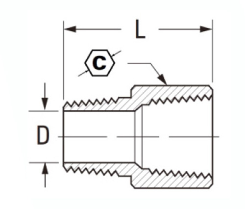
仕様

一部#

スレッドサイズ

c

f

l

3200-AA

F1/8×M1/8

1/2

.219

.88

3200L-AA

F1/8×M1/8

9/16

.219

.83

3200-BA

F1/4×M1/8

3/4

.219

1.06

3200L-BA

F1/4×M1/8

11/16

.219

.94

3200ll-Ba

F1/4×M1/8

5/8

.219

.94

3200 bb

F1/4×M1/4

3/4

.312

1.25

3200L-BB

F1/4×M1/4

11/16

.312

1.00

3200ll-bb

F1/4×M1/4

5/8

.312

1.00

3200-CA

F3/8×M1/8

7/8

.219

1.00

3200-cb

F3/8×M1/4

7/8

.312

1.25

3200L-CB

F3/8×M1/4

13/16

.312

1.12

3200-CC

F3/8×M3/8

7/8

.438

1.24

3200L-CC

F3/8×M3/8

13/16

.438

1.12

3200-db

F1/2×M1/4

1-1/16

.312

1.46

3200-DC

F1/2×M3/8

1-1/16

.438

1.47

3200L-DC

F1/2×M3/8

15/16

.438

1.19

3200-DD

F1/2×M1/2

1-1/16

.562

1.66

3200L-DD

F1/2×M1/2

15/16

.562

1.31

3200-ec

F3/4×M3/8

1-1/4

.438

1.59

3200-ed

F3/4×M1/2

1-1/4

.563

1.69

3200-EE

F3/4×M3/4

1-1/4

.750

1.69

*L:軽い

*ref.sae No.130139

アダプターフィッティングは、鍛造と押し出しの両方で作られており、航空ライン、ウォーターラインなどを含む幅広いチューブと互換性があります。SAEJ530およびSAE J531スレッドは、頑丈なトラック市場の機能要件を満たしています。銅と真鍮の両方のチューブと互換性があるこの製品は、最大1000 psiの圧力範囲を処理できます。すべての継手はアメリカで作られています。3200シリーズ-RSESによるシリーズ200アダプターフィッティングは、パイプの長さを拡張するように設計されています。耐久性のあるすべての真鍮構造により、これらのコネクタは産業、トラック、モバイルアプリケーションに最適です。これらのフィッティングは、任意の2インチのパイプサイズを接続し、500〜1000 psiの圧力範囲で、温度は-65°から250°華氏です。また、1/8インチから6インチまでのサイズがあります。3200#エクステンダーアダプターフィッティングは、1/2 "から2"のチューブサイズのアプリケーション用に設計されています。腐食に対する保護を提供するブロンズで作られたフェルルボディを特徴としているため、フィッティングはさまざまな水圧レベルで使用できます。女性の端はねじ込まれており、3本の止めネジがあります。

私たちと連絡してください

について レギネス

Legines Industrial Machinery Inc.

プロのチャイナブラスフィッティングメーカーとして、フィッティングサプライヤーをプッシュします。完全なCNC加工を採用し、3600平方メートルのワークショップエリアを所有しています。 45の自動機械工具、35の半自動CNC工作機械、および中国でのアメリカ標準の真鍮部品の生産のために重要なサプライヤーになったディストリビューター...
  • 名誉
  • 名誉

説明書 & ニュース