legines.com
3500#ブラスフィッティング90度の肘パイプフィッティング

3500#ブラスフィッティング90度の肘パイプフィッティング

製品機能: 市場:
■■ すべての真鍮構造 ■■ 産業
■■ の機能要件を満たします ■■ 工事
SAE J530およびSAE J531 ■■ ヘビーデューティトラック
■■ ドリシール基準に作られたスレッド ■■ 携帯
■■ 鍛造と押し出しの両方が利用可能です ■■ 工場/プロセス自動化

アプリケーション:互換性のあるチューブ:
■■ エアライン ■■
■■ ウォーターライン ■■ 真鍮
■■ 冷却ライン ■■ 鉄パイプ

仕様:
最大1000 psiの圧力範囲
温度範囲-65°から250°F

典型的なアプリケーション:
グリース、燃料、LPおよび天然ガス、冷蔵、補充および油圧システム

適合:
ASA、ASME、SAEの仕様と基準を満たしています。

参照パート番号:
2200p -3500-302-200-28001〜28005-100

お問い合わせ

仕様

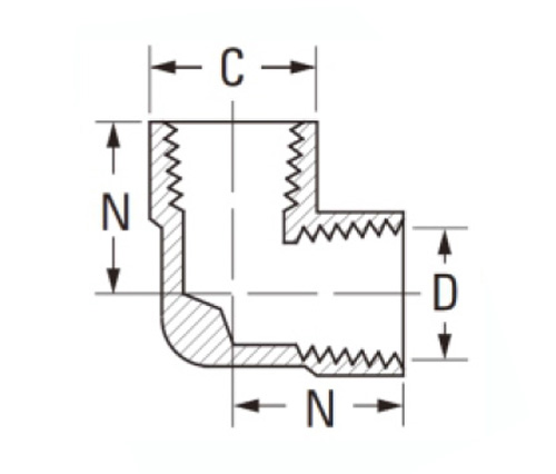
一部# スレッドサイズ c d n n
3500-A 1/8×1/8 9/16 .219 .66 .47
3500-B 1/4×1/4 11/16 .315 .91 .72
3500-C 3/8×3/8 13/16 .438 .97 .78
3500-D 1/2×1/2 1 " .562 1.25 1.03
3500-e 3/4×3/4 1 "-1/4 .750 1.38 1.12

Ref.sae No.130238

真鍮製で作られた90度の肘は、産業用および建設アプリケーションのニーズを満たすために製造されています。鍛造真鍮は、押し出された製品よりも耐久性があり、硬く、曲がる可能性が低くなります。私たちの青銅製の継手は、ショックと振動に対する抵抗性も高くなっています。エアライン、ウォーターライン、冷却ラインなど、すべての業界アプリケーションでプロジェクト用の鍛造パイプおよび押し出しパイプフィッティングの両方を提供しています。真鍮製のフィッティングは、最高の品質基準で製造されています。鍛造プロセスからスレッドや終了の仕上げまで、各ステージは精密ツールでチェックされます。これらのフィッティングは、SAE J530とSAE J531の機能要件を満たしていますが、SAE標準SAE J514およびASME B16.21と互換性があります。私たち90度の肘は高品質の真鍮から製造されており、強力で耐久性のある構造を提供します。大規模なボアチューブサイズに対応するために、2つの異なるバーブ構成を備えた工場とトラックの取り付けオプションの両方を提供しています。交換品を探している場合でも、システムをアップグレードしたい場合でも、Crouse-Hindsは役立ちます。

私たちと連絡してください

について レギネス

Legines Industrial Machinery Inc.

プロのチャイナブラスフィッティングメーカーとして、フィッティングサプライヤーをプッシュします。完全なCNC加工を採用し、3600平方メートルのワークショップエリアを所有しています。 45の自動機械工具、35の半自動CNC工作機械、および中国でのアメリカ標準の真鍮部品の生産のために重要なサプライヤーになったディストリビューター...
  • 名誉
  • 名誉

説明書 & ニュース