legines.com
3350#45度ストリートエルボーブラスパイプフィッティング

3350#45度ストリートエルボーブラスパイプフィッティング

製品機能: 市場:
■■ すべての真鍮構造 ■■ 産業
■■ の機能要件を満たします ■■ 工事
SAE J530およびSAE J531 ■■ ヘビーデューティトラック
■■ ドリシール基準に作られたスレッド ■■ 携帯
■■ 鍛造と押し出しの両方が利用可能です ■■ 工場/プロセス自動化

アプリケーション:互換性のあるチューブ:
■■ エアライン ■■
■■ ウォーターライン ■■ 真鍮
■■ 冷却ライン ■■ 鉄パイプ

仕様:
最大1000 psiの圧力範囲
温度範囲-65°から250°F

典型的なアプリケーション:
グリース、燃料、LPおよび天然ガス、冷蔵、補充および油圧システム

適合:
ASA、ASME、SAEの仕様と基準を満たしています。

参照パート番号:
306-3350-2214p-224-124a

お問い合わせ

仕様

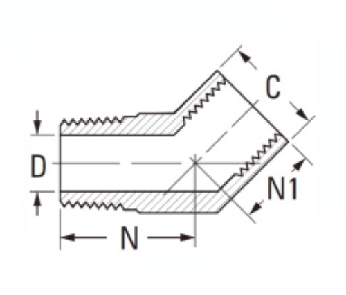
一部# スレッドサイズ c d n N1
3350-A 1/8×1/8 9/16 .219 .50 .38
3350-B 1/4×1/4 11/16 .315 .74 .56
3350-C 3/8×3/8 13/16 .438 .78 .56
3350-D 1/2×1/2 1 " .562 1.00 .76
3350-e 3/4×3/4 1 "-1/4 .750 1.06 .75

*ref.sae No.130339

3350は、45度のストリートエルボ型のフィッティングです。フィッティングは、さまざまな異なる配管材料で使用され、最大1000 psiに耐えることができます。また、-65°から250ºFの間の動作温度範囲があります。私たちの経験豊富な製造業者チームによって、正確な仕様に合わせて45度の通りの肘の真鍮パイプ継手が作成されています。通りの肘は、一方の端に2つのパイプスレッドがあり、もう一方の端にはパイプに90°の曲がりがあるパイプフィッティングです。通りの肘は、配管から輸送まで、さまざまな業界で使用されています。路上肘は、顧客が必要に応じて、さまざまな圧力、温度、ラインサイズにわたって流体またはガスの流れを増やすために、女性または男性の構成で作られています。

私たちと連絡してください

について レギネス

Legines Industrial Machinery Inc.

プロのチャイナブラスフィッティングメーカーとして、フィッティングサプライヤーをプッシュします。完全なCNC加工を採用し、3600平方メートルのワークショップエリアを所有しています。 45の自動機械工具、35の半自動CNC工作機械、および中国でのアメリカ標準の真鍮部品の生産のために重要なサプライヤーになったディストリビューター...
  • 名誉
  • 名誉

説明書 & ニュース