legines.com
252逆フレアメスアダプターフィッティング

252逆フレアメスアダプターフィッティング

製品機能:
■■ すべての真鍮構造
■■ 可燃性の液体とガスのためにリストされています
■■ SAE J512の機能要件を満たしています
■■ 経済のためのスチールナット

市場:アプリケーション:
■■ 空調 ■■ 冷媒ライン
■■ 海兵隊 ■■ ブレーキライン
■■ 携帯 ■■ 燃料ライン
■■ エンジン

互換性のあるチューブ:
■■
■■ 真鍮
■■ アルミニウム
■■ 溶接鋼の油圧チューブ

参照パート番号:
461FHD -252-46W

お問い合わせ

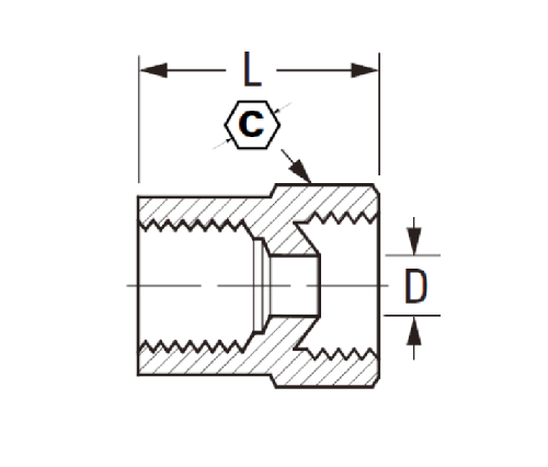
仕様

一部#

チューブO.d×スレッド

c

D

l

252-3a

3/16×1/8 15/32 .125 .62

252-4a

1/4×1/8 17/32 .188 .62

252-5b

5/16×1/4 19/32 .220 .70

252-6b

3/8×1/4 3/4 .281 .80

252-8c

1/2×3/8 29/32 .406 .91

*ref.sae No.040103 Ba

このすべての真鍮製の女性フレアアダプターには、標準の男性フレアフィッティングで使用する逆フレアがあります。漏れを防ぐための信頼できるシールを提供し、SAE J512が承認されています。スチールナットは、エコノミーアプリケーションに推奨されます。そこでは、永久に設置されたフレアフィッティングを削除または再インストールする必要があります。
252シリーズは、余分な汎用性と耐久性を提供し、外径が3/16 "、1/4"、5/16 "、3/8"のパイプに伴います。これにより、ほぼすべてのタンクフィッティングと互換性があることが保証されます。また、その耐久性のある構造に感銘を受け、何回使用しても長い寿命を確保できます。
このアダプターフィッティングは、チューブをホースとバルブに接続するように設計されています。真鍮製のこのフィッティングは、業界の基準を満たしており、自動車用および海洋アプリケーションで使用するように設計されています。
逆フレアメスアダプターは、SAE 1/2 "NPTスレッドおよびSAE 3/8"チューブと互換性のある女性のフィッティングです。耐久性のある素材から構築され、広範な使用のために設計されたこれらのフィッティングは、あらゆる家庭やビジネスに最適です。

私たちと連絡してください

について レギネス

Legines Industrial Machinery Inc.

プロのチャイナブラスフィッティングメーカーとして、フィッティングサプライヤーをプッシュします。完全なCNC加工を採用し、3600平方メートルのワークショップエリアを所有しています。 45の自動機械工具、35の半自動CNC工作機械、および中国でのアメリカ標準の真鍮部品の生産のために重要なサプライヤーになったディストリビューター...
  • 名誉
  • 名誉

説明書 & ニュース