legines.com
131スチール逆ブレーキラインプラグ

131スチール逆ブレーキラインプラグ

製品機能:
■■ すべての真鍮構造
■■ 可燃性の液体とガスのためにリストされています
■■ SAE J512の機能要件を満たしています
■■ 経済のためのスチールナット

市場:アプリケーション:
■■ 空調 ■■ 冷媒ライン
■■ 海兵隊 ■■ ブレーキライン
■■ 携帯 ■■ 燃料ライン
■■ エンジン

互換性のあるチューブ:
■■
■■ 真鍮
■■ アルミニウム
■■ 溶接鋼の油圧チューブ

お問い合わせ

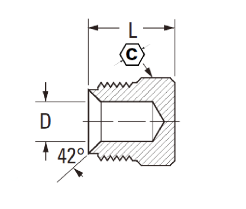
仕様

一部#

チューブO.d

c

D

l

131-3

3/16 3/8 .188

.53

131-4

1/4 7/16 .188 .54

131-5

5/16 1/2 .250 .59

131-6

3/8 5/8 .312 .66

*ref.sae No.040109 BA

私たちの131シリーズの真鍮逆ブレーキラインフィッティングは、ガスラインと燃料ライン専用に設計されています。反転設計は、タイトなアプリケーションでリークフリーの接続を提供します。
131スチールの逆転ブレーキラインプラグは、柔軟なチューブの端子端を密封するように設計された、火またはガソリン互換の逆レンチスタイルのプラグです。腐食抵抗のための亜鉛メッキ鋼と、歪みに対する強度を提供する積分プラスチックインサートから作られています。真鍮構造も利用できます。
この製品は、反転フレアフィッティングを備えた真鍮およびスチールメッキプラグです。 1/8のチューブを受け入れるように作られています。寸法は0.53 "直径0.54"深さで、このスタイルのプラグは銅、鋼、アルミニウムのチューブでのみ使用できます。
多くの場合、経済はブレーキラインアプリケーションのゲームの名前です。そして、あなたのラインから新鮮な空気を守るこのラインプラグを使用するよりも、お金を節約するより良い方法はありませんが、見た目は素晴らしく、今後何年も続きます。スチールナットと真鍮のバレルを使用して、これはあなたのニーズを満たすことは間違いありません。

私たちと連絡してください

について レギネス

Legines Industrial Machinery Inc.

プロのチャイナブラスフィッティングメーカーとして、フィッティングサプライヤーをプッシュします。完全なCNC加工を採用し、3600平方メートルのワークショップエリアを所有しています。 45の自動機械工具、35の半自動CNC工作機械、および中国でのアメリカ標準の真鍮部品の生産のために重要なサプライヤーになったディストリビューター...
  • 名誉
  • 名誉

説明書 & ニュース