legines.com
402逆フレア90°男性の肘備品

402逆フレア90°男性の肘備品

製品機能:
■■ すべての真鍮構造
■■ 可燃性の液体とガスのためにリストされています
■■ SAE J512の機能要件を満たしています
■■ 経済のためのスチールナット

市場:アプリケーション:
■■ 空調 ■■ 冷媒ライン
■■ 海兵隊 ■■ ブレーキライン
■■ 携帯 ■■ 燃料ライン
■■ エンジン

互換性のあるチューブ:
■■
■■ 真鍮
■■ アルミニウム
■■ 溶接鋼の油圧チューブ

参照パート番号:
4000-2400-2491IFHD -2491IF -49W

お問い合わせ

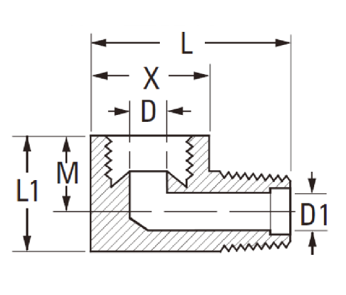
仕様

一部#

チューブO.d×男性スレッド

x

D

l

402-2a

1/8×1/8 .42 .078 .80

402-3a

3/16×1/8 .47 .125 .70

402-4a

1/4×1/8 .53 .188 .74

402-4b

1/4×1/4 .56 .188 .89

402-5a

5/16×1/8 .59 .219 .79

402-5b

5/16×1/4 .59 .220 .98

402-6a

3/8×1/8 .76 .281 .89

402-6b

3/8×1/4 .76 .281 1.03

402-6c

3/8×3/8 .75 .281 1.01

402-8b

1/2×1/4 .91 .406 1.08

402-8c

1/2×3/8 .92 .406 1.07
402-8d 1/2×1/2 .91 .406 1.26
402-10d 5/8×1/2 1.06 .531 1.32

*ref.sae No.040202 BA

フレア90°の肘を使用すると、2本の線を直角に簡単に接続できます。それらは、水、エアコン、冷媒ライン、ブレーキライン、燃料ラインの方向を変更するために使用されます。すべてのブラス構造とスチールナッツは、スチール製の油圧ゴムホースで使用するのに理想的です。
このフレア90°の肘はすべて真鍮構造であり、可燃性の液体とガスのためにULがリストされており、SAE J512、1/8 "X1/8"チューブから1/2 "X1/2"の男性フィッティングの機能要件を満たしています。ほとんどのOEM自動車メーカーの基準を満たす経済のためのスチールナット。
これは、真鍮で構成され、配管で使用されるNPTの男性肘フィッティングです。このフィッティングは、さまざまな材料とサイズで作られたパイプを接続する安価な方法を提供します。

私たちと連絡してください

について レギネス

Legines Industrial Machinery Inc.

プロのチャイナブラスフィッティングメーカーとして、フィッティングサプライヤーをプッシュします。完全なCNC加工を採用し、3600平方メートルのワークショップエリアを所有しています。 45の自動機械工具、35の半自動CNC工作機械、および中国でのアメリカ標準の真鍮部品の生産のために重要なサプライヤーになったディストリビューター...
  • 名誉
  • 名誉

説明書 & ニュース