legines.com
39#SAE 45°フレアブラスフィッティングフレアプラグ

39#SAE 45°フレアブラスフィッティングフレアプラグ

製品機能:
■■ すべての真鍮構造
■■ 長いナットを使用して振動に抵抗します
■■ ULリスト
■■ SAE J512およびJ513の機能要件


市場: アプリケーション:
■■ 冷凍 ■■ 冷媒ライン
■■ ヘビーデューティトラック ■■ プロパン
■■ 携帯 ■■ 燃料
■■ 産業 ■■ アダプター
■■ 加熱 ■■ 天然ガス
■■ 空調

参照パート番号:
58-57-439-639F -P2 -PF -2229-10063〜10069

お問い合わせ

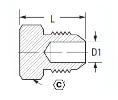
仕様

一部# チューブO.D c D1 l
39-2 1/8 7/16 .079 .47
39-3 3/16 1/2 .126 .58
39-4 1/4 9/16 .189 .69
39-5 5/16 5/8 .220 .79
39-6 3/8 3/4 .282 .88
39-8 1/2 7/8 .408 1.06
39-10 5/8 1-1/16 .502 1.19
39-12 3/4 1-5/16 .627 1.30

*ref.sae No.010109

このSAE 45°フレアブラスフィッティングは、冷蔵、エアコン、プロパンラインに最適です。振動抵抗に長いナットを備えており、SAE J512およびJ513標準と互換性があります。このフィッティングは高品質の真鍮で作られており、優れたパフォーマンスを確保するために正確な基準で製造されています。

私たちと連絡してください

について レギネス

Legines Industrial Machinery Inc.

プロのチャイナブラスフィッティングメーカーとして、フィッティングサプライヤーをプッシュします。完全なCNC加工を採用し、3600平方メートルのワークショップエリアを所有しています。 45の自動機械工具、35の半自動CNC工作機械、および中国でのアメリカ標準の真鍮部品の生産のために重要なサプライヤーになったディストリビューター...
  • 名誉
  • 名誉

説明書 & ニュース