legines.com
42#SAE 45°フレアメスコネクタブラスフレアフィッティング

42#SAE 45°フレアメスコネクタブラスフレアフィッティング

製品機能:
■■ すべての真鍮構造
■■ 長いナットを使用して振動に抵抗します
■■ ULリスト
■■ SAE J512およびJ513の機能要件


市場: アプリケーション:
■■ 冷凍 ■■ 冷媒ライン
■■ ヘビーデューティトラック ■■ プロパン
■■ 携帯 ■■ 燃料
■■ 産業 ■■ アダプター
■■ 加熱 ■■ 天然ガス
■■ 空調

参照パート番号:
46 -U3-10227-10248

お問い合わせ

仕様

一部#

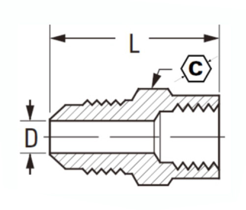
フレアO.d×スレッド

c

D

l

46-3a

3/16×1/8

9/16

.126

.58

46-4a

1/4×1/8

9/16

.189

.69

46-4b

1/4×1/4

11/16

.189

.79

46L-4B

1/4×1/4

11/16

.189

.88

46-4C

1/4×3/8

13/16

.189

1.06

46-4d

1/4×1/2

15/16

.189

1.31

46-5a

5/16×1/8

5/8

.219

1.38

46-5b

5/16×1/4

11/16

.219

1.44

46-5c

5/16×3/8

13/16

.219

1.69

46-6a

3/8×1/8

5/8

.282

1.88

46-6b

3/8×1/4

11/16

.282

1.87

46L-6B

3/8×1/4

13/16

.282

1.31

46-6C

3/8×3/8

13/16

.282

1.44

46-6d

3/8×1/2

1 "

.282

1.69

46L-6d

3/8×1/2

15/16

.282

1.44

46-8b

1/2×1/4

3/4

.408

1.60

46-8c

1/2×3/8

13/16

.408

1.62

46L-8C

1/2×3/8

13/16

.408

1.46

46-8d

1/2×1/2

1 "

.408

1.73

46L-8d

1/2×1/2

7/8

.408

1.62

46-8e

1/2×3/4

1-3/16

.408

1.75

46-10c

5/8×3/8

7/8

.500

1.79

46-10d

5/8×1/2

1 "

.500

1.98

46-12d

3/4×1/2

1-3/16

.625

2.17

46-12E

3/4×3/4

1-3/16

.625

2.08

「L」は光パターンを意味します。

これらの継手は、完全なパターンフィッティングと完全に交換可能ですが、方法で修正されています。

この変更は通常、配管や軽い産業用途で使用されるパイプスレッドの長さにあります

*ディメンションデータは予告なく変更できます

*ref.sae No.010103

SAE 45°フレアコネクタは、高い信頼性を必要とする光から中間の義務用途向けに設計されています。 46-U3は、ネオプレンライナーを備えたニトリルゴムホースを使用することにより、10,000 psiの最大圧力に使用されます。このコネクタには、振動に抵抗し、製品の寿命を延ばす重いナットがあります。 SAE男性フレアフィッティングは、障害またはメンテナンスの場合にフィッティングを交換するために特別なツールを必要としない銃剣のロックリングを使用しています。

私たちと連絡してください

について レギネス

Legines Industrial Machinery Inc.

プロのチャイナブラスフィッティングメーカーとして、フィッティングサプライヤーをプッシュします。完全なCNC加工を採用し、3600平方メートルのワークショップエリアを所有しています。 45の自動機械工具、35の半自動CNC工作機械、および中国でのアメリカ標準の真鍮部品の生産のために重要なサプライヤーになったディストリビューター...
  • 名誉
  • 名誉

説明書 & ニュース