legines.com
49#SAE 45°フレア鍛造90°男性の肘の真鍮フレアフィッティング

49#SAE 45°フレア鍛造90°男性の肘の真鍮フレアフィッティング

製品機能:
■■ すべての真鍮構造
■■ 長いナットを使用して振動に抵抗します
■■ ULリスト
■■ SAE J512およびJ513の機能要件


市場: アプリケーション:
■■ 冷凍 ■■ 冷媒ライン
■■ ヘビーデューティトラック ■■ プロパン
■■ 携帯 ■■ 燃料
■■ 産業 ■■ アダプター
■■ 加熱 ■■ 天然ガス
■■ 空調

参照パート番号:
249F -49 -E1-149F -10283〜10309 -S49

お問い合わせ

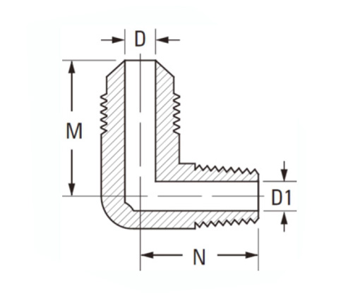
仕様

一部#

フレアO.d×スレッド

D1

D

m

n

49-2a

1/8×1/8

.219

.126

.63

.73

49-3a

3/16×1/8

.219

.126

.75

.75

49-4a

1/4×1/8

.219

.189

.81

.76

49-4b

1/4×1/4

.312

.189

.88

.94

49-4C

1/4×3/8

.438

.189

.92

1.01

49-4d

1/4×1/2

.562

.189

1.02

1.09

49-5a

5/16×1/8

.219

.219

.91

.88

49-5b

5/16×1/4

.312

.219

.95

.95

49-5c

5/16×3/8

.438

.219

.98

1.01

49-6a

3/8×1/8

.219

.282

1.00

.91

49-6b

3/8×1/4

.438

.282

1.06

1.01

49-6c

3/8×3/8

.438

.282

1.05

1.08

49-6d

3/8×1/2

.562

.282

1.10

1.00

49-8b

1/2×1/4

.312

.408

1.19

1.00

49-8c

1/2×3/8

.438

.408

1.19

1.00

49-8d

1/2×1/2

.562

.408

1.16

1.13

49-8e

1/2×3/4

.750

.408

1.38

1.38

49-10b

5/8×1/4

.312

.500

1.34

1.22

49-10c

5/8×3/8

.438

.500

1.34

1.22

49-10d

5/8×1/2

.562

.500

1.35

1.38

49-10E

5/8×3/4

.750

.500

1.44

1.38

49-12d

3/4×1/2

.562

.625

1.60

1.48

49-12E

3/4×3/4

.750

.625

1.60

1.62

*ディメンションデータは予告なく変更できます

* ref.sae No.010202

49シリーズの肘は、長持ちする高品質の真鍮で構成されており、1-1/16インチのNPTフレア接続に適合します。チューブエンド接続は3/4インチを測定し、女性の接続は5/8インチを測定します。これらのフィッティングは、男性のフレアユニオンナットを備えており、これらのシステムが動作するようになっているために、これらのシステムが動作するために、潜在的なシステムが存在するために時間の経過とともに発生する可能性があります。

私たちと連絡してください

について レギネス

Legines Industrial Machinery Inc.

プロのチャイナブラスフィッティングメーカーとして、フィッティングサプライヤーをプッシュします。完全なCNC加工を採用し、3600平方メートルのワークショップエリアを所有しています。 45の自動機械工具、35の半自動CNC工作機械、および中国でのアメリカ標準の真鍮部品の生産のために重要なサプライヤーになったディストリビューター...
  • 名誉
  • 名誉

説明書 & ニュース