legines.com
1570 D.O.T 90°肘アダプター

1570 D.O.T 90°肘アダプター

製品機能:
■■ ブラスコレット
■■ Buna n o-ring
■■ ステンレス鋼管のサポート
■■ D.O.T. FMVSS571.106
■■ SAE J2494とSAE J2494-3に会います

市場:
■■ ヘビーデューティトラック
■■ トレーラー
■■ 携帯

アプリケーション:
■■ エアブレーキ
■■ エアタンク
■■ エアライド
■■ スライダー
■■ タイヤインフレ
■■ プライマリおよびセカンダリエアライン

互換性のあるチューブ:
■■ SAE J844タイプA&Bナイロンチューブ

参照パート番号:
AQ70DOT -170PMT -1870 -DQ70DOT -1570DOT

お問い合わせ

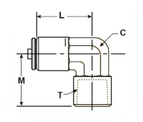
仕様

一部#

チューブO.D×FEmlAE NPTF

c

M

L

1570-dot-4a

1/4×1/8

3/8

.82

.92

1570-dot-4b

1/4×1/4

1/2

.94

.102

1570-dot-4c

1/4×3/8

5/8

.98

1.11

1570-dot-6b

3/8×1/4

1/2

.94

.96

1570-dot-6c

3/8×3/8

5/8

.91

.98

1570-DOT-8D

1/2×1/2

5/8

1.21

1.14

SAE J1570ドット90°の肘アダプターは、漏れないアタッチメントと簡単な取り付けのための真鍮のコレットとBuna nタイプのOリングを備えていますが、ステンレス鋼チューブのサポートにより耐久性が保証されます。 D.O.T.要件、FMVSS571.106、SAE J2494、およびSAE J2494-3 SAE J844タイプA&Bナイロンチューブでの使用のための仕様、トレーラー、モバイルアプリケーション。このアダプターのロープロファイル設計により、ドット仕様を満たすのに十分な強さでありながら、タイトなスペースに収まることができます。この真鍮の肘は、エアラインの端に取り付けられるように設計されており、狭い場所で角を曲がることができます。腐食耐性材料で作られており、頑丈に保つステンレス鋼のサポートチューブが含まれています。

私たちと連絡してください

について レギネス

Legines Industrial Machinery Inc.

プロのチャイナブラスフィッティングメーカーとして、フィッティングサプライヤーをプッシュします。完全なCNC加工を採用し、3600平方メートルのワークショップエリアを所有しています。 45の自動機械工具、35の半自動CNC工作機械、および中国でのアメリカ標準の真鍮部品の生産のために重要なサプライヤーになったディストリビューター...
  • 名誉
  • 名誉

説明書 & ニュース