legines.com
24m Prestoマニホールド

24m Prestoマニホールド

製品機能:
■■ ブラスコレット
■■ Buna n o-ring
■■ ステンレス鋼管のサポート
■■ D.O.T. FMVSS571.106
■■ SAE J2494-3に会います
■■ 複合体 - 強い、軽量、コンパクト、耐衝撃性
■■ プラグイン構成

市場:
■■ ヘビーデューティトラック
■■ トレーラー
■■ 携帯

アプリケーション:
■■ エアブレーキ
■■ エアタンク
■■ エアライド
■■ スライダー
■■ タイヤインフレ
■■ プライマリおよびセカンダリエアライン
■■ キャブコントロール

お問い合わせ

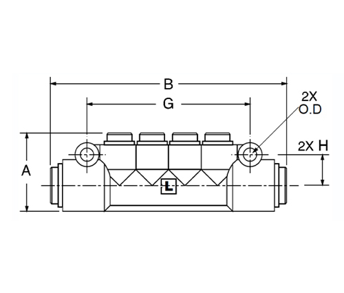
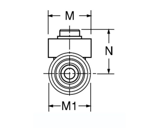
仕様

一部

いいえ。

チューブO.d

lnlet

チューブO.D

出口

a b D g h m M1 n
24M-4-4 1/4 1/4 1.33 3.98 .21 2.75 .53 .90 .88 .89
24M-6-4 3/8 1/4 1.33 4.00 .21 2.75 .53 .90 .88 .89
24M-6-6 3/8 3/8 1.65 6.49 .22 4.55 .60 1.02 1.02 1.33
24M-8-8 1/2 1/2 1.65 6.49 .22 4.55 .60 1.02 1.02 1.33
24M-8-6-4-4-6-8 1/2 3/8&1/4 1.65 6.49 .22 4.55 .60 1.02 1.02 1.17

24m Presto Manifoldは、簡単で迅速で信頼できるサービスを提供するために構築されています。強く、軽量で、耐衝撃性のあるコンパクトな設計を備えた複合体は、バルクを減らしながら強度を提供します。 24m Presto Manifoldは、D.O.T FMVSS571.106、SAE J2494-3高圧アプリケーションの要件を満たすように設計されています。そのプラグ&プレイ機能により、あらゆるアプリケーションで最大限の汎用性が可能になります。

私たちと連絡してください

について レギネス

Legines Industrial Machinery Inc.

プロのチャイナブラスフィッティングメーカーとして、フィッティングサプライヤーをプッシュします。完全なCNC加工を採用し、3600平方メートルのワークショップエリアを所有しています。 45の自動機械工具、35の半自動CNC工作機械、および中国でのアメリカ標準の真鍮部品の生産のために重要なサプライヤーになったディストリビューター...
  • 名誉
  • 名誉

説明書 & ニュース