legines.com
3400#真鍮パイプフィッティング90度ストリートエルボ

3400#真鍮パイプフィッティング90度ストリートエルボ

製品機能: 市場:
■■ すべての真鍮構造 ■■ 産業
■■ の機能要件を満たします ■■ 工事
SAE J530およびSAE J531 ■■ ヘビーデューティトラック
■■ ドリシール基準に作られたスレッド ■■ 携帯
■■ 鍛造と押し出しの両方が利用可能です ■■ 工場/プロセス自動化

アプリケーション:互換性のあるチューブ:
■■ エアライン ■■
■■ ウォーターライン ■■ 真鍮
■■ 冷却ライン ■■ 鉄パイプ

仕様:
最大1000 psiの圧力範囲
温度範囲-65°から250°F

典型的なアプリケーション:
グリース、燃料、LPおよび天然ガス、冷蔵、補充および油圧システム

適合:
ASA、ASME、SAEの仕様と基準を満たしています。

参照パート番号:
2202p -3400-304-115-202-116a -28156から2816

お問い合わせ

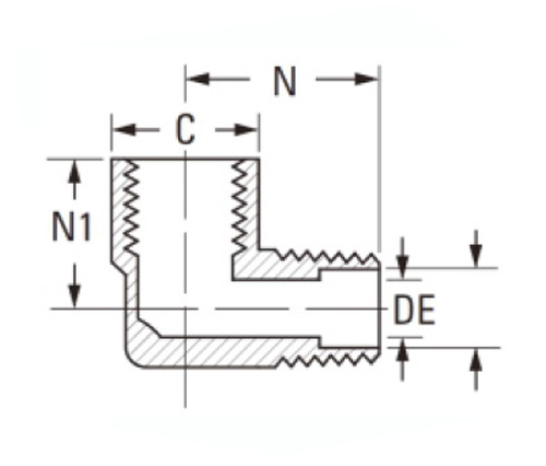
仕様

一部# スレッドサイズ c d n N1
3400-aa 1/8×1/8 9/16 .219 .66 .47
3400-bb 1/4×1/4 11/16 .315 .91 .72
3400-CC 3/8×3/8 13/16 .438 .97 .78
3400-DD 1/2×1/2 1 " .562 1.25 1.03
3400-EE 3/4×3/4 1-1/4 .750 1.38 1.12

ref.sae No.130239

3400#真鍮パイプフィッティング90度ストリートエルボは、すべての真鍮構造から作られており、鍛造と押し出しの両方と互換性があります。 SAE J530およびSAE J531の機能要件を満たす工業用グレードの継手。市場:建設、頑丈なトラック、モバイル。両方の基準に従って、CPVCが互換性がない自動車、産業、商業用のアプリケーションで使用するために、熱可塑性ゴム(TPR)であるモバイルアプリケーションで動作します。この溶接末端90度の通りの肘は、特に極端な圧力下で作業する場合、油圧システムでの使用に適しています。幅広いサイズで利用でき、例外的な耐食性があります。このフィッティングは、銅チューブで構成されるエアラインを接続するために使用されます。 90度の角度があり、真鍮でできているので、厳しい気象条件に耐えることができます。

私たちと連絡してください

について レギネス

Legines Industrial Machinery Inc.

プロのチャイナブラスフィッティングメーカーとして、フィッティングサプライヤーをプッシュします。完全なCNC加工を採用し、3600平方メートルのワークショップエリアを所有しています。 45の自動機械工具、35の半自動CNC工作機械、および中国でのアメリカ標準の真鍮部品の生産のために重要なサプライヤーになったディストリビューター...
  • 名誉
  • 名誉

説明書 & ニュース