legines.com
54#SAE 45°フレアブラスフィッティングは、45°の雄肘を偽造しました

54#SAE 45°フレアブラスフィッティングは、45°の雄肘を偽造しました

製品機能:
■■ すべての真鍮構造
■■ 長いナットを使用して振動に抵抗します
■■ ULリスト
■■ SAE J512およびJ513の機能要件


市場: アプリケーション:
■■ 冷凍 ■■ 冷媒ライン
■■ ヘビーデューティトラック ■■ プロパン
■■ 携帯 ■■ 燃料
■■ 産業 ■■ アダプター
■■ 加熱 ■■ 天然ガス
■■ 空調

参照パート番号:
E415-654f -47-54-59ff -4945-159f-254-10448-10459

お問い合わせ

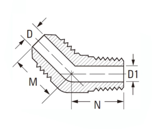
仕様

一部#

フレアo.d×thared

d

D1

m

n

54-4a

1/4×1/8

.189

.219

.67

.64

54-4b

1/4×1/4

.189

.312

.75

.86

54-5a

5/16×1/8

.219

.219

.78

.64

54-5b

5/16×1/4

.219

.312

.81

.86

54-6b

3/8×1/4

.282

.312

.91

.86

54-6C

3/8×3/8

.282

.438

.93

.94

54-6d

3/8×1/2

.282

.562

.99

1.17

54-8c

1/2×3/8

.408

.438

1.07

.88

54-8d

1/2×1/2

.408

.562

1.12

1.17

54-10c

5/8×3/8

.500

.438

1.13

.95

54-10d

5/8×1/2

.500

.562

1.13

1.17

54-12d

3/4×1/2

.625

.750

1.28

1.17

54-12E

3/4×3/4

.625

.750

1.41

1.20

*ref.sae No.010302

これは、鍛造された45°の雄肘を特徴とするSAE 45°フレアブラスフィッティングです。真鍮構造により、このフィット感は非常に信頼性が高く耐久性があります。 SAE J512とJ513の機能要件はこのフィッティングによって満たされますが、長いナットを使用すると、使用すると振動が減少します。

私たちと連絡してください

について レギネス

Legines Industrial Machinery Inc.

プロのチャイナブラスフィッティングメーカーとして、フィッティングサプライヤーをプッシュします。完全なCNC加工を採用し、3600平方メートルのワークショップエリアを所有しています。 45の自動機械工具、35の半自動CNC工作機械、および中国でのアメリカ標準の真鍮部品の生産のために重要なサプライヤーになったディストリビューター...
  • 名誉
  • 名誉

説明書 & ニュース