legines.com
1469#エアブレーキナイロンチューブオスの肘

1469#エアブレーキナイロンチューブオスの肘

製品機能:
■■ 真鍮の体
■■ D.O.T. FMVSS571.106パフォーマンス
■■ 機能要件を満たしていますSAE J246およびSAE J1131
■■ 事前に適用されたスレッドシーラント


市場:
■■ ヘビーデューティトラック
■■ トレーラー
■■ 携帯


アプリケーション:
■■ エアブレーキ
■■ エアタンク
■■ エアライド
■■ スライダー
■■ タイヤインフレ
■■ プライマリおよびセカンダリエアライン
■■ キャブコントロール

参照パート番号:

69NAB -1469 -S769AB

お問い合わせ

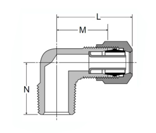
仕様

一部# チューブO.D×男性nPTF m N
1469-4a 1/4×1/8 .59 .64
1469-4B 1/4×1/4 .68 .87
1469-4C 1/4×3/8 .73 .86
1469-6a 3/8×1/8 .73 .75
1469-6b 3/8×1/4 .73 .87
1469-6C 3/8×3/8 .74 .87
1469-6d 3/8×1/2 .88 1.05
1469-8b 1/2×1/4 .81 .93
1469-8c 1/2×3/8 .92 .95
1469-8d 1/2×1/2 1.03 1.18
1469-10c 5/8×3/8 1.00 1.05
1469-10d 5/8×1/2 1.09 1.25
1469-10E 5/8×3/4 1.25 1.32
1469-12d 3/4×1/2 1.19 1.33
1469-12E 3/4×3/4 1.26 1.32

*ref.sae No.100202 BA

真鍮製のボディ、D.O.T。 FMVSS571.106パフォーマンス、機能要件を満たしているSAE J246およびSAE J1131、事前に適用されたスレッドシーラント市場:ヘビーデューティートラック、トレーラー、モバイルアプリケーション:エアブレーキ、エアタンク、エアライド、スライダー、タイヤインフレ、プライマリおよびセカンダリーライン、キャブコントロール
エアブレーキホースは、アメリカ鉄道(AAR)仕様100202の協会(AAR)仕様の要件を満たすために、鋼鉄のワイヤーヘリックスと単一のプライチューブで補強された丈夫なナイロンから製造されています。
肘は、エアブレーキ業界で使用される標準的なアイテムです。オスまたはメスの接続(パイプ)にエアブレーキチューブの90度ターンを提供します。真鍮のボディ、冶金シリンダー、スレッドがあります。

私たちと連絡してください

について レギネス

Legines Industrial Machinery Inc.

プロのチャイナブラスフィッティングメーカーとして、フィッティングサプライヤーをプッシュします。完全なCNC加工を採用し、3600平方メートルのワークショップエリアを所有しています。 45の自動機械工具、35の半自動CNC工作機械、および中国でのアメリカ標準の真鍮部品の生産のために重要なサプライヤーになったディストリビューター...
  • 名誉
  • 名誉

説明書 & ニュース