legines.com
72#圧縮フィッティングオスブランチティー

72#圧縮フィッティングオスブランチティー

アプリケーション:市場:
■■ エアライン ■■ 産業
■■ 潤滑ライン ■■ パッケージング
■■ 冷却ライン ■■ 空気圧
■■ 業界 ■■ 印刷
■■ 機械
■■ コンプレッサー
■■ 流体移動

製品機能:
■■ SAE J-512の機能要件を満たしています
■■ 可燃性液体用にリストされています
■■ 真鍮または酢酸スリーブが利用可能
■■ チューブの準備はありません
■■ 鍛造形状と押し出しの形状

参照パート番号:
72-172C -S72-72A

お問い合わせ

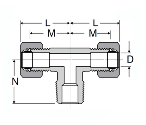
仕様

一部#

チューブO.d×男性nPTF

m

N

D

72-3a

3/16×1/8

.63

.69

.125

72-4a

1/4×1/8

.63

.75

.188

72-4b

1/4×1/4

.69

.88

.188

72-5a

5/16×1/8

.72

.75

.250

72-5b

5/16×1/4

.75

.88

.250

72-6a

3/8×1/8

.75

.75

.312

72-6b

3/8×1/4

.79

.87

.312

72-6c

3/8×3/8

.88

1.00

.330

72-8c

1/2×3/8

.94

1.09

.406

72-8d

1/2×1/2

.97

1.19

.406

72-10d

5/8×1/2

1.06

1.31

.500

すべての圧縮継手は、Fammable液体用にリストされているSAE J-512の機能要件を満たすか、それを超えるように製造されています。それらはアルミニウム合金、真鍮、または酢酸から作られています。私たちの偽造された押し出し形状は、通常、より従来の継手で発生する損傷に対する抵抗が高くなります。最大直径2インチまで想像できる形状を作成します。
圧縮フィッティングのオスブランチTシャツは、銅、ステンレス鋼、熱可塑性パイプで使用するための90°の分岐型ティーフィッティングです。肘は360°回転して、丈夫な角度やティーパイプに簡単に接続できるようにします。

私たちと連絡してください

について レギネス

Legines Industrial Machinery Inc.

プロのチャイナブラスフィッティングメーカーとして、フィッティングサプライヤーをプッシュします。完全なCNC加工を採用し、3600平方メートルのワークショップエリアを所有しています。 45の自動機械工具、35の半自動CNC工作機械、および中国でのアメリカ標準の真鍮部品の生産のために重要なサプライヤーになったディストリビューター...
  • 名誉
  • 名誉

説明書 & ニュース